◆ Parametri tecnici:
| Modello | CYB100 | CYB150 |
| Diametro nominale | Φ 100 | Φ 150 |
| Tipo di montaggio | Convesso radiale montato Interfacce parallele | * | * |
| Convesso radiale montato Interfaccia a otto caratteri | / | * |
| Tipo di scarico eccentrico eccentrico | / | * |
| Intervallo di misurazione | Pressione differenziale Intervallo di misurazione KPA | Nominalee Pressione del lavoro KPA | Pressione differenziale Intervallo di misurazione MPA | Nominal Pressione del lavoro MPA |
| 0 ~ 10 | 60 | 0 ~ 0.16 | 1 |
| 0 ~ 16 | 100 | 0 ~ 0.25 | 1.6 |
| 0 ~ 25 | 160 | 0 ~ 0.4 | 2.5 |
| 0 ~ 40 | 250 | 0 ~ 0.6 | 4 |
| 0 ~ 60 | 400 | 0 ~ 1 | 6 |
| 0 ~ 100 | 600 | 0 ~ 1.6 | 10 |
| | | 0 ~ 2.5 | 10 |
| Classe di precisione | 2.5 |
| Fili di adattamento | M20 × 1.5 |
| Usa la temperatura ambiente | -40 ℃~ 70 ℃ |
| La temperatura del mezzo da utilizzare | ≤ 60 ℃ |
| Valutazione della resistenza alle vibrazioni | V · H · 3 |
| Punteggio del recinto | IP54 |
| peso | Circa 1,0 kg |
| Materiale del sistema di impulso | 0cr17ni12mo2 、 SUS316 |
| involucro e altri materiali | 1cr18ni9 、 Sus304 |
| Applicare lo standard | JB/T 12015-2014 |
| Nota: 1 . Il thread congiunto può essere personalizzato in base ai requisiti dell'utente. |
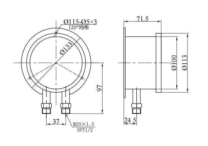
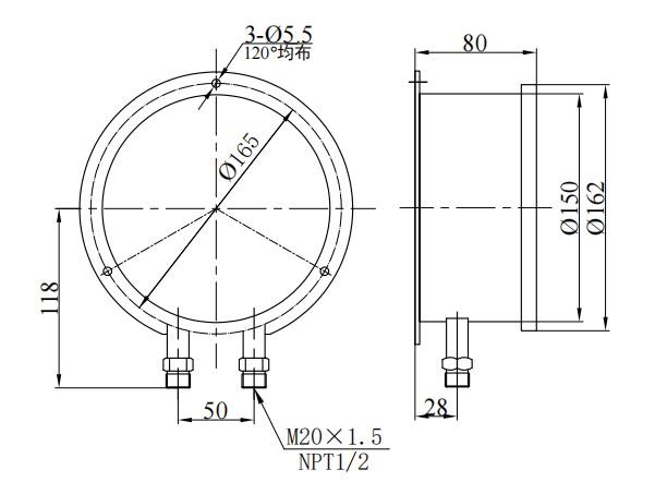
◆ Aspetto e dimensione dell'installazione:
| CYB100 Interfaccia parallela | CYB150 Interfaccia parallela |
| CYB150 Interfaccia bazi | CYB150 Eccentricità assiale |
◆ Principio strutturale:
Lo strumento adotta una doppia struttura a tubo Bourdon, ovvero due tubi Bourdon sono installati in posizioni simmetriche su entrambi i lati della staffa "I". The upper E lower sections of the "I" bracket are the movable end and the fixed end respectively, and the middle is connected by a spring piece: the two Bourdon tubes are in a parallel state, and are connected with the high and low voltage joints on the case with the conduit respectively: the gear transmission mechanism is directly installed at the fixed end of the bracket, and is connected with the movable end of the bracket through the pull rod: the dial is directly fisso sul meccanismo di trasmissione degli ingranaggi.
◆ Principio di lavoro: in base all'elemento di rilevamento della pressione, vengono utilizzati due tubi bourdon con la stessa rigidità, quindi sono costretti a produrre la stessa forza concentrata sotto lo stesso mezzo misurato per agire sulla staffa mobile rispettiva zero posizione.
Quando vengono applicate pressioni diverse (generalmente l'estremità ad alta pressione è superiore all'estremità a bassa pressione) , la forza dei due tubi bourdon che agisce sul supporto mobile non è uguale, quindi lo spostamento corrispondente viene generato rispettivamente e il meccanismo di trasmissione degli ingranaggi viene guidato e amplificato e amplificato e il valore di pressione differenziale tra i due è indicato dopo che il Pointer viene deviato.
◆ Precauzioni:
1. Il Lo strumento deve essere installato verticalmente in una posizione che si trova allo stesso livello del punto di misurazione, altrimenti l'errore aggiuntivo causato dalla differenza di livello del liquido deve essere preso in considerazione.
2 . Il connettore dello strumento contrassegnato da " H " O " "è l'estremità ad alta tensione e quella contrassegnata con" L " O " - "È l'estremità a bassa tensione, che non può essere invertita durante l'installazione.
3 . Quando lo strumento misura la pressione differenziale, il valore della pressione differenziale può essere utilizzato all'interno 75% del limite superiore dell'intervallo di scala e il valore di pressione statico massimo del sistema non deve superare il valore di pressione statico massimo specificato dallo strumento.
4. Come mostrato in Figura 4 , Valvola di bilanciamento (sicurezza) (valvola 1 ) dovrebbe essere impostato davanti alle porte di ingresso a bassa e bassa pressione dello strumento durante l'installazione e dovrebbe essere in posizione aperta e la valvola di bilanciamento deve essere chiusa dopo la valvola 2 and valvola 3 sono tutti aperti.
5 . Prima dell'uso, lo strumento dovrebbe verificare attentamente il grado di erosione causata dal mezzo misurato, in modo da non causare danni alla corrosione precoce al tubo Bourdon.
◆ Istruzioni per l'ordinazione:
Quando si ordina lo strumento, l'utente deve indicare:
1. Modello e nome, intervallo di pressione differenziale, pressione statica massima, unità di misurazione, livello di accuratezza;
2. MATERIALE DEL TUBILE DI FATTURA E BOURDON;
3. Dimensione del filo congiunto: convenzionale M20 × 1.5 , NPT1/2 (o designazione del cliente);
4. Nota: tre gruppi di valvole possono essere personalizzati per conto degli utenti (valvole 1 ~ 3 in figura 4 )