◆ Modello: ylm60 ylm100 ylm150
◆ Applicazione: questa serie di strumenti sono strumenti speciali per rilevare una bassa temperatura o un mezzo di refrigerante speciale, utilizzato principalmente nel frigorifero per aria condizionata, refrigeratore d'acqua, asciugatrice d'aria o assemblaggio di un sistema di gruppi di refrigerante.
Può anche creare diversi pannelli multi-etichettatura del refrigerante in base ai requisiti dei clienti e ci sono molti tipi di cappelli e custodie (stile svizzero) per la scelta dei clienti.
A causa della progettazione del connettore ottimizzato e delle considerazioni speciali nella selezione dei materiali di saldatura e dei componenti del rilevamento della pressione, questa serie di prodotti ha eccellenti caratteristiche di anti-focolare, impulso anti-pressione e anti-vibrazione, quindi la qualità dello strumento è notevolmente migliorata e la perdita di malfunzione e perdita del sistema di refrigerazione a causa dei problemi di qualità del prodotto sono eliminati.
◆ Parametri tecnici :
| Numero modello | YLM60 | YLM100 | YLM150 | |
| Diametro nominale | Φ 60 | Φ 100 | Φ 150 | |
| Tipo di montaggio | Ⅰ | * | * | * |
| Ⅱ | * | * | * | |
| Ⅲ | * | / | / | |
| Ⅳ | * | * | * | |
| Ⅴ | * | / | / | |
| Ⅵ | * | * | * | |
| Filo del connettore | M14 × 1.5 | M20 × 1.5 | ||
| Classe di precisione | 2.5 | 1.6 | ||
| Intervallo di misurazione ( MPA ) | bassa tensione : (- 30 ~ 0 …… 15 ) kg , 1.8mp opprimente :( 0 ~ 35 ) kg , 3.8mp | |||
| Specifica del tipo di media | R134A 、 R22A 、 R404A 、 R407A | |||
| Condizioni ambientali d'uso | Temp : -20 ℃~ 60 ℃; Umidità relativa : ≤ 80 % | |||
| Valutazione delle vibrazioni | V · H · 3 | |||
| classe di protezione | IP54 | |||
| Standard di implementazione | GB/T 1226 | |||
| Nota: 1. I thread congiunto possono essere personalizzati in base ai requisiti dell'utente. | ||||
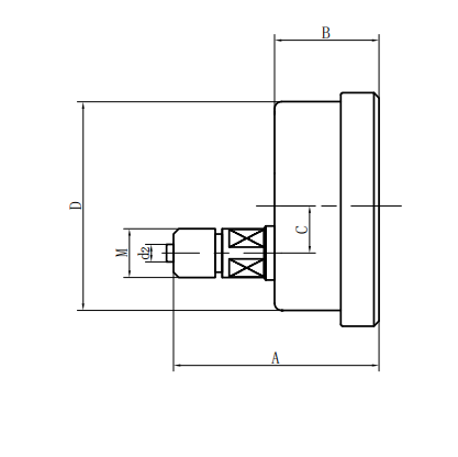
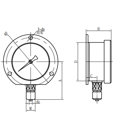
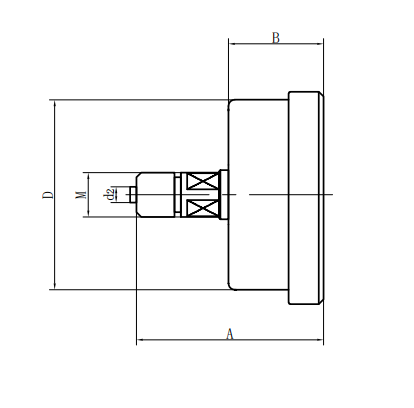
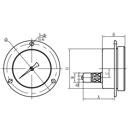
◆ Dimensioni esterne:
| Tipo diretto radiale (ⅰ) | Tipo eccentrico diretto eccentrico (ⅱ) |
| Tipo concentrico assiale concentrico (III) | Tipo di inserto eccentrico assiale (IV) |
| Tipo di inserimento concentrico assiale (V) | Tipo convesso radiale (vi) |
| Numero modello | Dimensioni complessive ( mm ) | |||||||
| UN | B | C | D | d0 | D1 | d2 | M | |
| YLM60 -Ⅰ | 56 | 33 | 11 | Φ 60 | / | / | Φ 5 | M14 × 1.5 |
| YLM60 -Ⅱ | 61 | 32.5 | 18 | Φ 60 | / | / | | |
| YLM60 -Ⅲ | 61 | 32.5 | / | Φ 60 | / | / | Φ 5 | M14 × 1.5 |
| YLM60 -Ⅳ | 55 | 32.5 | 18 | Φ 60 | Φ 5 | Φ 75 | | |
| YLM60 -Ⅴ | 55 | 32.5 | / | Φ 60 | Φ 5 | Φ 75 | Φ 5 | M14 × 1.5 |
| YLM60 -Ⅵ | 56 | 33 | 11 | Φ 60 | Φ 5 | Φ 75 | Φ 5 | M14 × 1.5 |
| YLM100 -Ⅰ | 90 | 48 | 15 | Φ 100 | / | / | Φ 6 | M20 × 1.5 |
| YLM100 -Ⅱ | 83 | 44 | 34 | Φ 100 | / | / | Φ 6 | M20 × 1.5 |
| YLM100 -Ⅳ | 68 | 44 | 34 | Φ 100 | Φ 6 | Φ 118 | Φ 6 | M20 × 1.5 |
| YLM100 -Ⅵ | 90 | 48 | 15 | Φ 100 | Φ 6 | Φ 118 | Φ 6 | M20 × 1.5 |
| YLM150 -Ⅰ | 117 | 51 | 16.5 | Φ 150 | / | / | Φ 6 | M20 × 1.5 |
| YLM150 -Ⅱ | 92 | 52 | 55 | Φ 150 | / | / | Φ 6 | M20 × 1.5 |
| YLM150 -Ⅳ | 69 | 52 | 55 | Φ 150 | Φ 6 | Φ 165 | Φ 6 | M20 × 1.5 |
| YLM150 -Ⅵ | 117 | 53 | 28 | Φ 150 | Φ 6 | Φ 165 | Φ 6 | M20 × 1.5 |


















