◆ Modello: yjy100 yjy150
◆ Usa: la pressione assoluta si riferisce alla pressione che è superiore alla pressione assoluta zero con pressione assoluta zero (vuoto assoluto) come riferimento. Il valore di pressione assoluto può essere espresso dalla seguente formula:
Valore di pressione assoluta = valore vuoto (pressione negativa) Valore della pressione atmosferica
Il manometro assoluto viene utilizzato principalmente per monitorare o misurare la pressione assoluta in alcune attrezzature per vuoto (ad es. Macchinari di imballaggio a vuoto, attrezzature per il monitoraggio della pressione di condensazione e la pressione di vapore del liquido, ecc.).
◆ Pressione di lavoro: il carico statico viene utilizzato fino a 3/4 del valore limite superiore della misurazione, il carico di scambio viene utilizzato fino a 2/3 del valore limite superiore della misurazione e la pressione breve viene utilizzata fino al valore limite superiore della misurazione.
◆ Parametri tecnici :
| Numero modello | Yjy100 | Yjy150 | |
| Diametro nominale | Φ 100 | Φ 150 | |
| Modulo di installazione | Ⅰ | * | * |
| Ⅱ | * | * | |
| Ⅳ | * | * | |
| Ⅵ | * | * | |
| Filo del connettore | M20 × 1.5 | ||
| Classe di precisione | 0.4 ; 1.0 ; 1.6 ; 2.5 | ||
| Intervallo di misurazione ( MPA ) | 0 ~ 0.1 0 ~ 0.16 0 ~ 0,25 0 ~ 0.4 0 ~ 0.6 0 ~ 1 0 ~ 1.6 0 ~ 2.5 0 ~ 4 0 ~ 6 0 ~ 10 | ||
| Condizioni ambientali d'uso | Temp : -40 ℃~ 70 ℃ (Classe di precisione : 0.4 ) -50 ℃~ 160 ℃ (Classe di precisione : 1.0 ~ 2.5 ) umidità relativa : ≦ 80 % | ||
| Valutazione delle vibrazioni | V · H · 2 ; V · H · 3 | ||
| classe di protezione | IP65 | ||
| Standard di implementazione | | ||
| Nota: 1. I thread congiunto possono essere personalizzati in base ai requisiti dell'utente. | |||
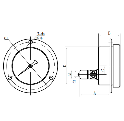
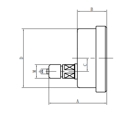
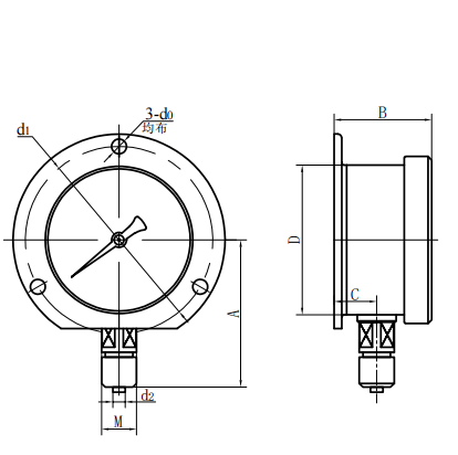
◆ Dimensioni esterne:
|
Tipo diretto radiale (ⅰ) | Tipo eccentrico diretto eccentrico (ⅱ) |
| Tipo concentrico assiale concentrico (III) | Tipo di inserto eccentrico assiale (iv) |
| Numero modello | Dimensioni complessive ( mm ) | |||||||
| UN | B | C | D | d0 | D1 | d2 | M | |
| Yjy100 -Ⅰ | 90 | 48 | 15 | Φ 100 | / | / | Φ 6 | M20 × 1.5 |
| Yjy100 -Ⅱ | 83 | 44 | 34 | Φ 100 | / | / | Φ 6 | M20 × 1.5 |
| Yjy100 -Ⅳ | 68 | 44 | 34 | Φ 100 | Φ 6 | Φ 118 | Φ 6 | M20 × 1.5 |
| Yjy100 -Ⅵ | 90 | 48 | 15 | Φ 100 | Φ 6 | Φ 118 | Φ 6 | M20 × 1.5 |
| Yjy150 -Ⅰ | 117 | 51 | 16.5 | Φ 150 | / | / | Φ 6 | M20 × 1.5 |
| Yjy150 -Ⅱ | 92 | 52 | 55 | Φ 150 | / | / | Φ 6 | M20 × 1.5 |
| Yjy150 -Ⅳ | 69 | 52 | 55 | Φ 150 | Φ 6 | Φ 165 | Φ 6 | M20 × 1.5 |
| Yjy150 -Ⅵ | 117 | 53 | 28 | Φ 150 | Φ 6 | Φ 165 | Φ 6 | M20 × 1.5 |
























