◆ Modello: YQ40 YQ50 YQ60 YQ75 YQ100 YQ150
◆ Use: questa serie di calibri sono tutti realizzati in acciaio inossidabile, con la partizione di sicurezza interna e i fori di rilievo a pressione nella parte superiore per rilasciare una pressione eccessiva all'interno del caso a causa della rottura causata da sovraccarico o affaticamento di elementi elastici, per proteggere la sicurezza degli operatori e le attrezzature e le strutture. Gli indicatori di sicurezza pieni di liquido sono resistenti alle vibrazioni, prevenendo danni all'interno del manometro a causa delle vibrazioni e lubrificando i componenti interni per ridurre al minimo l'usura e la corrosione.
Questi calibri sono ampiamente utilizzati nella perforazione, raffinamento, chimico, alimentare, farmaceutico, marino, piattaforme petrolifere offshore e altri settori.
| Numero modello | YQ60 | YQ100 | YQ150 | |
| Diametro nominale | Φ 60 | Φ 100 | Φ 150 | |
| Modulo di installazione | Ⅰ | * | * | * |
| Ⅱ | * | * | * | |
| Ⅲ | * | / | / | |
| Ⅳ | * | * | * | |
| Ⅴ | * | / | / | |
| Ⅵ | * | * | * | |
| Filo del connettore | M14 × 1.5 | M20 × 1.5 | ||
| Classe di precisione | 2.5 | 1.6 | ||
| Intervallo di misurazione ( MPA ) | Vacante: -0.1 ~ 0 Vuoto a pressione : -0.1 ~ 0,06 -0,1 ~ 0,15 -0,1 ~ 0.3 -0.1 ~ 0,5 -0,1 ~ 0.9 -0.1 ~ 1.5 -0.1 ~ 2.4 Pressione: 0 ~ 0.1 0 ~ 0.16 0 ~ 0,25 0 ~ 0.4 0 ~ 0.6 0 ~ 1 0 ~ 1.6 0 ~ 2.5 0 ~ 4 0 ~ 6 0 ~ 10 0 ~ 16 0 ~ 25 0 ~ 40 0 ~ 60 0 ~ 100 0 ~ 160 0 ~ 250 | |||
| Condizioni ambientali d'uso | Temp : -40 ℃~ 70 ℃ | |||
| Valutazione delle vibrazioni | V · H · 3 | |||
| Materiale del tubo Borden | OCR18NI12MO2ti ; SUS316 ; SUS316L | |||
| Materiale di custodia e connettore | 1cr18ni9ti ; Sus304 | |||
| classe di protezione | IP65 | |||
| Standard di implementazione | GB/T1226 | |||
| Nota: 1. I thread congiunto possono essere personalizzati in base ai requisiti dell'utente. | ||||
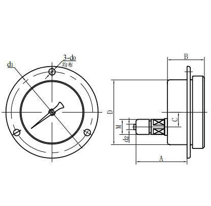
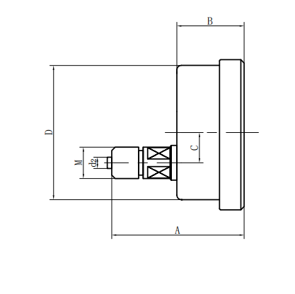
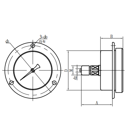
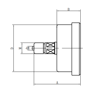
◆ Dimensioni esterne:
| Tipo diretto radiale (ⅰ) | Tipo eccentrico diretto eccentrico (ⅱ) |
| Tipo concentrico assiale concentrico (III) | Tipo di inserto eccentrico assiale (IV) |
| Tipo di inserimento concentrico assiale (V) | Tipo convesso radiale (vi) |
| Numero modello | Dimensioni complessive ( mm ) | |||||||
| UN | B | C | D | d0 | D1 | d2 | M | |
| Yq60- Ⅰ | 56 | 33 | 11 | Φ 60 | / | / | Φ 5 | M14 × 1.5 |
| Yq60- Ⅱ | 61 | 32.5 | 18 | Φ 60 | / | / | Φ 5 | |
| Yq60- Ⅲ | 61 | 32.5 | / | Φ 60 | / | / | Φ 5 | M14 × 1.5 |
| Yq60- Ⅳ | 55 | 32.5 | 18 | Φ 60 | Φ 5 | Φ 75 | Φ 5 | |
| Yq60- Ⅴ | 55 | 32.5 | / | Φ 60 | Φ 5 | Φ 75 | Φ 5 | M14 × 1.5 |
| Yq60- Ⅵ | 56 | 33 | 11 | Φ 60 | Φ 5 | Φ 75 | Φ 5 | M14 × 1.5 |
| Yq100- Ⅰ | 90 | 48 | 15 | Φ 100 | / | / | Φ 6 | M20 × 1.5 |
| Yq100- Ⅱ | 83 | 44 | 34 | Φ 100 | / | / | Φ 6 | M20 × 1.5 |
| Yq100- Ⅳ | 68 | 44 | 34 | Φ 100 | Φ 6 | Φ 118 | Φ 6 | M20 × 1.5 |
| Yq100- Ⅵ | 90 | 48 | 15 | Φ 100 | Φ 6 | Φ 118 | Φ 6 | M20 × 1.5 |
| YQ150- Ⅰ | 117 | 51 | 16.5 | Φ 150 | / | / | Φ 6 | M20 × 1.5 |
| YQ150- Ⅱ | 92 | 52 | 55 | Φ 150 | / | / | Φ 6 | M20 × 1.5 |
| YQ150- Ⅳ | 69 | 52 | 55 | Φ 150 | Φ 6 | Φ 165 | Φ 6 | M20 × 1.5 |
| YQ150- Ⅵ | 117 | 53 | 28 | Φ 150 | Φ 6 | Φ 165 | Φ 6 | M20 × 1.5 |


















