◆ Modello: YJ150 YJ150A
◆ Use: questa serie di strumenti viene utilizzata principalmente per calibrare i calibri di pressione ordinari industriali o civili. Può anche essere utilizzato per misurare accuratamente la pressione di media non corrosivi, non cristallizzanti e non consolidati come lega di rame e acciaio strutturale in lega nel sito di processo.
Questa serie di strumenti nella linea di scala sotto l'impostazione dell'anello speculare, in uso può comportare un minimo l'errore di lettura. Un tipo con dispositivo zero, nel processo di utilizzo, se si scopre che il puntatore non torna a zero, in assenza della pressione dei media può essere puntato a ottimita, in modo che ritorni a zero per ridurre l'errore. $
◆ Parametri tecnici :
| Numero modello | YJ150 | Yj150a | |
| Diametro nominale | Φ 150 | ||
| Modulo di installazione | Ⅰ | * | * |
| Ⅳ | * | * | |
| Filo del connettore | M20 × 1.5 | ||
| Classe di precisione | 0.4 | ||
| Intervallo di misurazione ( MPA ) | Vacante: -0.1 ~ 0 Vuoto a pressione : -0.1 ~ 0,06 -0,1 ~ 0,15 -0,1 ~ 0.3 -0.1 ~ 0,5 -0,1 ~ 0.9 -0.1 ~ 1.5 -0.1 ~ 2.4 Pressione: 0 ~ 0.1 0 ~ 0.16 0 ~ 0,25 0 ~ 0.4 0 ~ 0.6 0 ~ 1 0 ~ 1.6 0 ~ 2.5 0 ~ 4 0 ~ 6 0 ~ 10 0 ~ 16 0 ~ 25 0 ~ 40 0 ~ 60 0 ~ 100 | ||
| Condizioni ambientali d'uso | Temp : 20 ℃ ± 3 ℃ | ||
| Valutazione delle vibrazioni | V · H · 2 | ||
| classe di protezione | IP54 | ||
| Standard di implementazione | GB/T 1227 | ||
| Nota: 1. I thread congiunto possono essere personalizzati in base ai requisiti dell'utente. | |||
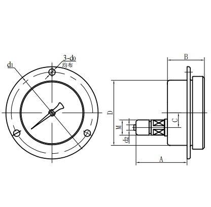
◆ Dimensioni esterne:
| Tipo diretto radiale (ⅰ) | TIPO DIRETTO ECCENTRO ASSIALE (ⅱ) |
| Numero modello | Dimensioni complessive ( mm ) | |||||||
| UN | B | C | D | d0 | D1 | d2 | M | |
| YJ150- Ⅰ Yj150a- Ⅰ | 113 | 51 | 21 | Φ 150 | / | / | Φ 6 | M20 × 1.5 |
| YJ150- Ⅳ Yj150a- Ⅳ | 79 | 51 | 55 | Φ 150 | Φ 6 | Φ 165 | Φ 6 | M20 × 1.5 |


















