◆ Modello: Y40 Y50 Y60 Y75 Y100 Y150 Y200 Y250
◆ Usa: questa serie di strumenti è adatta per misurare la pressione di liquido, gas o vapore che non ha alcun pericolo di esplosione, non si cristallizza, non si solidifica e non ha alcun effetto corrosivo sulla lega di rame e rame.
◆ Nell'applicazione pratica, secondo le caratteristiche speciali di vari media (come divieto di petrolio, prevenzione degli incendi, resistenza alla corrosione, ecc.), I requisiti dello strumento sono diversi, quindi questa serie di strumenti deriva da molti strumenti speciali corrispondenti, il loro diametro nominale, il tipo di installazione, il tipo di installazione, il filo di connettore, il livello di accuratezza, la gamma di misurazione, ecc.
1.1 Adatto per misurare la pressione di media infiammabili ed esplosivi. È severamente proibito di contattare con sostanze infiammabili grasse. Viene effettuato un trattamento di sgrassare prima di lasciare la fabbrica e non viene testato per nessun grasso.
1,1,1 anni di estenzione di ossigeno serie
1,1,2 yh Serie idrogeno manometro
1,1,3 siete di acetilene serie
1.2 I materiali utilizzati sono resistenti alla corrosione del mezzo o lo strumento non ha alcuna influenza sul mezzo e assicurano che gli elementi di rilevamento e le interfacce siano puliti e privi di grasso.
1.2.1 Serie Ya Assicatore di pressione di ammoniaca
1.2.2 Ydq Series Azoto Cancella di pressione
◆ Parametri tecnici :
| Numero modello | Y40 | Y50 | Y60 | Y75 | Y100 | Y150 | Y200 | Y250 | |
| Diametro nominale | Φ 40 | Φ 50 | Φ 60 | Φ 75 | Φ 100 | Φ 150 | Φ 200 | Φ 250 | |
| Modulo di installazione | Ⅰ | * | * | * | * | * | * | * | * |
| Ⅱ | / | / | * | / | * | * | * | * | |
| Ⅲ | * | * | * | * | / | / | / | / | |
| Ⅳ | / | / | * | / | * | * | / | / | |
| Ⅴ | * | * | * | * | / | / | / | / | |
| Ⅵ | / | / | * | * | * | * | / | / | |
| Filo del connettore | M10 × 1 | M14 × 1.5 | M20 × 1.5 | ||||||
| Classe di precisione | 2.5 | 1.6 | |||||||
| Intervallo di misurazione ( MPA ) | Vacante: -0.1 ~ 0 Vuoto a pressione : -0.1 ~ 0,06 -0,1 ~ 0,15 -0,1 ~ 0.3 -0.1 ~ 0.5 -0.1 ~ 0.9 -0.1 ~ 1.5 -0.1 ~ 2.4 Pressione: 0 ~ 0.1 0 ~ 0.16 0 ~ 0,25 0 ~ 0.4 0 ~ 0.6 0 ~ 1 0 ~ 1.6 0 ~ 2.5 0 ~ 4 0 ~ 6 0 ~ 10 0 ~ 16 0 ~ 25 0 ~ 40 0 ~ 60 0 ~ 100 0 ~ 160 | ||||||||
| Condizioni ambientali d'uso | Temp : -40 ℃~ 70 ℃ | ||||||||
| Valutazione delle vibrazioni | V · H · 3 | ||||||||
| Materiale del tubo Borden | QSN4-0.3 | ||||||||
| Classe di protezione | IP54 、 IP65 | ||||||||
| Standard di implementazione | GB/T 1226 | ||||||||
| Nota: 1. I thread congiunto possono essere personalizzati in base ai requisiti dell'utente. | |||||||||
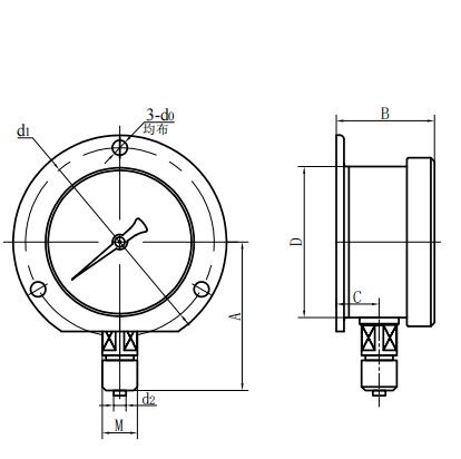
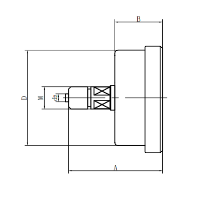
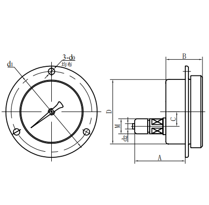
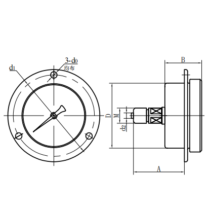
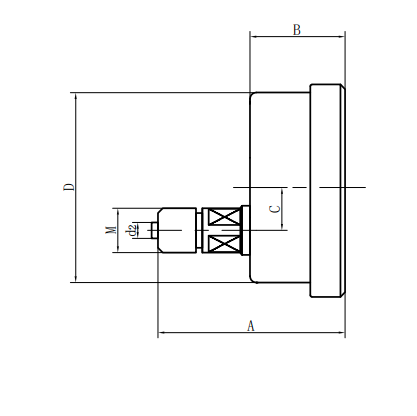
◆ Dimensioni esterne:
| Tipo diretto radiale (ⅰ) | Tipo eccentrico diretto eccentrico (ⅱ) |
| Tipo concentrico assiale concentrico (III) | Tipo di inserto eccentrico assiale (IV) |
| Tipo di inserimento concentrico assiale (V) | Tipo convesso radiale (vi) |
| Numero modello | Dimensioni complessive ( mm ) | |||||||
| UN | B | C | D | d0 | D1 | d2 | M | |
| Y40 -Ⅰ | 38 | 25 | 8.5 | Φ 41 | / | / | Φ 3.5 | M10 × 1 |
| Y40 -Ⅲ | 45 | 26 | / | Φ 41 | / | / | Φ 3.5 | M10 × 1 |
| Y40 -Ⅴ | 38 | 26 | / | Φ 41 | Φ 3.5 | Φ 53 | Φ 3.5 | M10 × 1 |
| Y50 -Ⅰ | 50 | 29 | 9.5 | Φ 52 | / | / | Φ 4 | M10 × 1 |
| Y50 -Ⅲ | 54 | 29 | / | Φ 52 | / | / | Φ 4 | M10 × 1 |
| Y50 -Ⅴ | 47 | 29 | / | Φ 52 | Φ 4 | Φ 64 | Φ 4 | M10 × 1 |
| Y60 -Ⅰ | 54 | 30 | 12 | Φ 60 | / | / | Φ 5 | M14 × 1.5 |
| Y60 -Ⅱ | 63 | 34 | 18 | Φ 60 | / | / | Φ 5 | M14 × 1.5 |
| Y60 -Ⅲ | 58 | 30 | / | Φ 60 | / | / | Φ 5 | M14 × 1.5 |
| Y60 -Ⅳ | 45 | 34 | 18 | Φ 60 | Φ 5 | Φ 75 | Φ 5 | M14 × 1.5 |
| Y60 -Ⅴ | 45 | 34 | / | Φ 60 | Φ 5 | Φ 75 | Φ 5 | M14 × 1.5 |
| Y60 -Ⅵ | 54 | 30 | 12 | Φ 60 | Φ 5 | Φ 75 | Φ 5 | M14 × 1.5 |
| Y75 -Ⅰ | 62 | 31 | 10 | Φ 75 | / | / | Φ 5 | M14 × 1.5 |
| Y75 -Ⅲ | 54 | 32 | / | Φ 75 | / | / | Φ 5 | M14 × 1.5 |
| Y75 -Ⅴ | 54 | 32 | / | Φ 75 | Φ 5 | Φ 91 | Φ 5 | M14 × 1.5 |
| Y75 -Ⅵ | 62 | 32 | 10 | Φ 75 | Φ 5 | Φ 91 | Φ 5 | M14 × 1.5 |
| Y100 -Ⅰ | 89 | 44 | 17 | Φ 100 | / | / | Φ 6 | M20 × 1.5 |
| Y100 -Ⅱ | 83 | 44 | 30 | Φ 100 | / | / | Φ 6 | M20 × 1.5 |
| Y100 -Ⅳ | 68 | 44 | 30 | Φ 100 | Φ 6 | Φ 118 | Φ 6 | M20 × 1.5 |
| Y100 -Ⅵ | 89 | 44 | 18 | Φ 100 | Φ 6 | Φ 118 | Φ 6 | M20 × 1.5 |
| Y150 -Ⅰ | 115 | 49 | 17 | Φ 150 | / | / | Φ 6 | M20 × 1.5 |
| Y150 -Ⅱ | 88 | 49 | 55 | Φ 150 | / | / | Φ 6 | M20 × 1.5 |
| Y150 -Ⅳ | 85 | 49 | 55 | Φ 150 | Φ 6 | Φ 165 | Φ 6 | M20 × 1.5 |
| Y150 -Ⅵ | 115 | 49 | 18 | Φ 150 | Φ 6 | Φ 165 | Φ 6 | M20 × 1.5 |
| Y200 -Ⅰ | 140 | 53 | 20 | Φ 200 | / | / | Φ 6 | M20 × 1.5 |
| Y200 -Ⅱ | 92 | 53 | 53 | Φ 200 | / | / | Φ 6 | M20 × 1.5 |
| Y250 -Ⅰ | 165 | 53 | 20 | Φ 250 | / | / | Φ 6 | M20 × 1.5 |
| Y250 -Ⅱ | 92 | 53 | 53 | Φ 250 | / | / | Φ 6 | M20 × 1.5 |

























