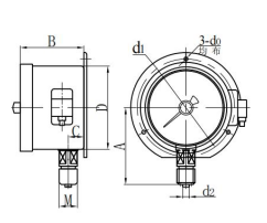
◆ MoDello: Ytx100b ytx150b
◆ Usi: questa serie di strumenti è appositamente utilizzata nell'ambiente circostante dei media combustibili e nel pericolo di miscela esplosivi dei luoghi, misurando la pressione di liquidi e gas, con i corrispondenti dispositivi elettrici, può ottenere un controllo di allarme o automatico e altre funzioni.
Lo strumento adotta un contatto elettrico magnetico, che ha le caratteristiche della grande forza di aspirazione e del contatto affidabile.
Questo strumento è conforme ai requisiti in GB 3836.1-2010 "Atmosfere esplosive - Parte 1 : Requisiti generali per l'attrezzatura "e GB3836.2-2010 "Atmosfere esplosive - Parte 2 : Apparecchiatura protetta da custodie a prova di fiamma " d ".
















